BIOTITE

Biotite – K(Fe2+/Mg)2(Al/Fe3+/Mg)([Si/Al]Si2O10)(OH/F)2 – is a very common phyllosilicate, occurring in igneous rocks (both intrusive and extrusive) and in metamorphic and sedimentary rocks. It is an important industrial mineral with many different applications.

“Biotite” is not actually a mineral, but just a generic term that applies to minerals that make up a Series or Subgroup of the Mica Group. This series includes a Subgroup including the minerals between the extremes Annite KFe2+3(AlSi3O10)(OH)2 – Phlogopite KMg3(AlSi3O10)(OH)2 and those between Siderophyllite KFe2+2Al(Al2Si2O10)(OH)2 – Eastonite KMg2Al(Al2Si2O10)(OH)2. Fluorphlogopite and Fluortetraferrylphlogopite are included in the subgroup. In practice, biotite designates any dark, Fe-rich mica that has not been analyzed or was incompletely analyzed. Vermiculite is an alteration product of biotite and phlogopite.

1. Characteristics

Crystal system: Monoclinic prismatic

Color: Dark brown, greenish brown, blackish brown, yellow, white.

Habit: Micaceous, massive.

Cleavage: {001} perfect.

Tenacity: Brittle to flexible, elastic.

Twinning: Common on [310], more rarely on {001}.

Fracture: Micaceous.

Mohs Hardness: 2.5 – 3

Parting: No.

Streak: White

Lustre: Vitreous to pearly.

Diaphaneity: Transparent

Density (g/cm³): 2.7 – 3.1

 

2. Geology and Deposits

Biotite is a very common mica. It occurs in plutonic igneous rocks such as granitoids and granites, granodiorites, tonalites, syenites, monzonites, monzodiorites, diorites, gabbros, norites, troctolites, anorthosites, peridotites and pyroxenites, among others. May occur in pegmatites.               

It is also common in extrusive igneous rocks such as trachytes, andesites, phonolites, tephrites, nephelinites, porphyries of many types, lamproites, lamprophyres, kimberlites and others.               

In metamorphic rocks, biotite is an essential mineral in granulites, gneisses, cornubianites, phyllites, schists and skarns (tactites), among others.               

Biotite is also found in immature sedimentary rocks such as greywackes.

 

3. Mineral Associations

It is associated with a large number of minerals whose complete listing is not feasible. The presence of biotite, by itself, is not diagnostic of any type of rock or paragenesis.

 

4. Transmitted Light Microscopy

Refraction indices: nα: 1.565 – 1.625          nβ: 1.605 – 1.696            nγ: 1.605 – 1.696

PLANE POLARIZED LIGHT – PPL

Color / Pleochroism: Strongly pleochroic from light (X) to dark (Y,Z) in brown, green-brown or red-brown colors. Rarely in yellow or red colors. Colors become more intense with higher Fe contents. In sections perpendicular to [001], pleochroism is very weak to absent. In altered grains, plechoroism is weaker or absent.

Relief: Moderate do high.

Cleavage: {001} perfect if the grain is unaltered. The cleavage runs parallel to the elongation of the grain. Basal sections do not show cleavage.

Habits: Tabular, usually lamellar along the z axis, forming rectangular grains. Subhedral to euhedral, can form pseudohexagonal prisms, rarely visible at the thin section.

Inclusions of zircon, monazite, titanite and allanite in biotite usually develop black halos around them.

CROSSED POLARIZED LIGHT – XPL

Birefringence and Interference Colors: High birefringence, from 0.03 to 0.08: strong colors, from 3rd order to more than 4th order.

Biotite’s own strong colors normally mask its interference colors.

Extinction: Usually parallel and mottled (“birds-eye” extinction), may be slightly oblique, up to 9º. Can be undulating in bent grains.

In sections perpendicular to [001] the extinction is little or not mottled.

Elongation sign: ES(+) in relation to cleavage, as all micas.

Twins: Simple twins along (001) are possible, but not common.

Zoning: Only sometimes zoned.

CONVERGENT LIGHT

Character: B(-), difficult to identify because the mineral’s intense colors and strong interference colors mask the interference figure. Very small 2V angles can simulate an uniaxial mineral!

2V angle: 0–25o, generally difficult or impossible to observe. It can simulate being uniaxial!

Alterations: in volcanic rocks, biotite can undergo oxidation (oxybiotite) and water loss, leading to opacitization, which is the replacement of biotite (and syngenetic hornblende) by a fine-grained aggregate of magnetite, hematite, spinel and pyroxene. Opacitization starts at the edges of the biotite (forming black, opaque crusts). The exsolution of Ti in biotite forms inclusions of fine needles of rutile (sagenite).

Regressive metamorphism (“diaphthoritic alteration”) alters biotite to chlorite, epidote, carbonate, quartz and others.

During weathering, biotite loses its color (hydrobiotite or vermiculite) and changes to an aggregate of carbonate, limonite and quartz.

May be confused with: several other minerals.

Phlogopite is other mineral from the series. It is similar, but has weaker pleochroism.

Brown hornblende has oblique extinction and a different cleavage.

Tourmaline is U(-), has higher relief and has no cleavage, only fractures perpendicular to the elongation.

Stilpnomelane is very similar, but has no mottled extinction (important!), its pleochroism is more colorful, and it has two cleavages (one of them bad).

 

5. Reflected Light Microscopy

Reflected light microscopy is not the recommended analytical method for the identification of botite. However, it is important to make a polished thin section or a polished section to identify the many opaque minerals that may occur associated with biotite.

Sample preparation: despite the excellent cleavage, the polishing of biotite does not offer difficulties. It is possible to obtain a good polishing, specially when grinding is started with a finer abrasive. 

PLANE POLARIZED LIGHT – PPL

Reflection color: Dark gray, much darker than the color of quartz and feldspars.

Pleochroism: No.

Reflectivity: Very low (4%?).

Bireflectance: No.

CROSSED POLARIZED LIGHT – CPL

Isotropy / Anisotropy: Do not show anisotropy.

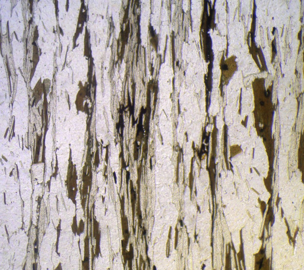
Internal reflections: Generalized in dark brown, almost black. When the grain is finer, or at the edges of coarser grains, the brown color is clearly visible. The thicker the grain, the darker, almost black, are the reflections.

May be confused with: other micas. Biotite is easy to recognize in Reflected Light. Very diagnostic are habit, cleavage, and parallel extinction.

General Characteristics:

Grain shape: the typical lamellar shape of micas is characteristic and diagnostic for biotite.

Cleavage is usually quite visible.

Polishing pits, aligned but very irregular, may occur.

Polishing scratches do not occur.

Parallel extinction is easily visible and constitutes another diagnostic feature.

 
 
<