Eudialyte – Na15Ca6(Fe2+,Mn2+)3Zr3[Si25O73](O,OH,H2O)3(OH,Cl)2 – is a very rare cyclosilicate, characteristic of some alkaline plutonic igneous rocks. It is marketed as a collector mineral and may constitute a Zr ore.
Eudialyte is the main representative of the Eudialyte Group, composed of 46 members. It is not possible to confirm eudialyte macroscopically because several members of the Group have very similar colors; it is necessary to use other analytical techniques to identify the different minerals.
Rare Earths, Mg, K, Sr, Ti, Nb, Al, F, P and S occur as impurities. It is slightly radioactive. “Eucolite” is a term that was used for an optically negative variety of the Eudialyte Group, but is no longer considered a mineral and is likely a ferrokentbrooksite variety.
Crystal system: Trigonal scalenohedral.
Color: Red in various shades (carmine, orange, cherry, brown), pink, orange, yellowish brown, brown, yellow, violet, green.
Habit: Short rhombohedrons, with dominant pinacoid.
Long prismatic. Massive or interstitial, filling veins.
Cleavage: {0001} perfect, {10-10} imperfect, {10-14} imperfect, {11-20} imperfect.
Tenacity: Brittle.
Twinning: No.
Fracture: Irregular.
Mohs Hardness: 5 – 6
Parting: No.
Streak: White to faint pink.
Lustre: Vitreous, dull.
Diaphaneity: Transparent.
Density (g/cm³): 2.74 – 3.1
Eudialyte is a very rare mineral, of magmatic or late pneumatolithic origin, characteristic of relatively rare rocks such as nepheline syenites (lujavrites, etc.), foidolites, eudialytites, alkaline granites and associated pegmatites, where it can be a main constituent of the rock.
Macroscopically, it usually has an intense pink-red color (may have other colors) and can be easily confused with other minerals from the Eudialyte Group that have similar colors. It can also be confused with rhodochrosite and rhodonite.
It occurs with typical minerals common to these paragenesis, such as plagioclase (albite), alkali feldspars (microcline), feldspathoids (sodalite, nepheline), clinopyroxenes (aegirine), amphiboles (arfvedsonite, brown hornblende), oxides (Ti-magnetite) and titanite.
In addition, it is associated with very rare minerals such as katophorite, lamprophyllite, mosandrite (Ce) and aenigmatite and with several extremely rare minerals such as rinkite-(Ce), lorenzenite, murmanite, vlasovite, gittinsite, agrellite and lavenite.
Refraction indices: nω: 1.606 – 1.610 nε: 1.610 – 1.613
PLANE POLARIZED LIGHT – PPL
Color / Pleochroism: Weak pleochroism between
X = colorless, pink, pale yellow and
Y = pink to colorless.
This pleochroism may not be noticeable and the mineral appears colorless.
That is why it is important to observe the hand sample with a stereomicroscope (magnifying glass), because eudialyte usually has a very striking pink color (similar to the color of rhodonite) and, once its presence in the hand sample is verified, it can be safely identified in thin section.
Relief: Moderate. Important diagnostic feature!
Cleavage: {0001} perfect to indistinct; {11-20} imperfect.
Habits: Rhombohedral to long prismatic crystals. Usually as irregular masses and vein filling.
CROSSED POLARIZED LIGHT – XPL
Birefringence and Interference Colors: Maximum birefringence of 0.004, corresponding to first-order dark gray colors. They are very dark, black to bluish colors, reminiscent of one of the anomalous colors of chlorite (“Berlin blue”).
Extinction: Parallel.
Elongation sign: No information available.
Twins: No.
Zoning: No.
CONVERGENT LIGHT
Character: U(+) or U(-).
2V angle: No.
Alterations: Eudialyte is relatively unstable during low-temperature hydrothermal alteration and weathering, so it commonly breaks down into a suite of secondary minerals—especially in nepheline syenites and agpaitic complexes.
The main phases are catapleiite, zircon, lovozeroite, kentbrooksite and ferrokentbrooksite. Depending on conditions, eudialyte alter also in calcite, fluorite, aegirine, analcime and natrolite.
May be confused with: its characteristic occurrence in nepheline syenites and alkaline granites facilitates its recognition.
Nepheline can be very similar, but has lower relief.
Sodalite has even lower relief and is isotropic.
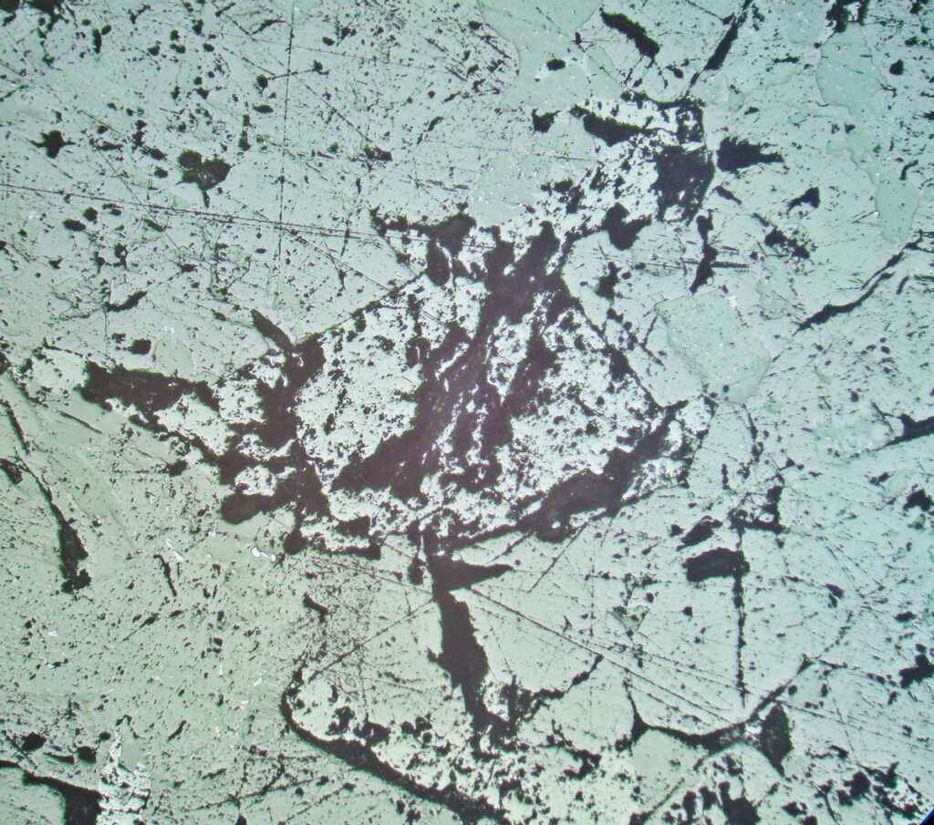
Reflected light microscopy is not the recommended analytical method for the identification of eudialyte. However, it is important to make a polished thin section or a polished section to identify the opaque minerals that occur associated with eudialyte, like magnetite.
Sample preparation: eudialyte, despite the care taken, acquires a very low quality polish, full of holes and other flaws, in contrast to other minerals from its paragenesis such as feldspars, feldspathoids and pyroxenes, which show much better polishing.
PLANE POLARIZED LIGHT – PPL
Reflection color: Dark gray, darker than feldspars and feldspathoids.
Pleochroism: No.
Reflectivity: Low (<<10%)
Bireflectance: No.
CROSSED POLARIZED LIGHT – XPL
Isotropy / Anisotropy: Anisotropy was not observed.
Internal reflections: Widespread in various shades of pink, if this is the macro color of the mineral.
May be confused with: few other minerals, considering paragenesis. Generally speaking, olivine and garnet may show internal reflections in the same colors, but they have much better polishing and do not occur in the paragenesis of eudialyte.
General Characteristics: