OLIVINE

Olivine – (Fe,Mg)SiO4 – is a very common nesosilicate, occurring mainly in basic igneous rocks. It is an important industrial mineral with a number of uses.              

“Olivine” is actually not a mineral, but just a generic term used for nesosilicates of the isomorphic series between forsterite (Mg2SiO4) and fayalite (Fe2SiO4), a complete solid solution. An old terminology, now obsolete, divided the series into six members: forsterite (Fo100-90), chrysolite (Fo90-70), hyalosiderite (Fo70-50), hortonolite (Fo50-30), ferrohortonolite (Fo30-10) and fayalite. (Fo10-0). It is not possible to differentiate the members from each other through their optical properties. However, several physical and chemical properties vary systematically with composition and a detailed analysis of these can allow an estimation of composition. Most olivines, however, tend to be rich in forsterite. Compositional zonation can occur, with the core richer in Mg.          

In addition to the forsterite-fayalite series there is the forsterite-tephroite (Mn2SiO4) series and the fayalite-tephroite series. Olivine may contain Fe, Ni and PO4.

1. Characteristics

The data below refer to forsterite; fayalite is very similar.

Crystal system: Orthorrombic, bipiramidal.

Color: Green, pale yellow, brown or white. Darker with higher Fe content.

Habit: Usually rounded crystals, can be biterminated prismatic. Massive, granular.

Cleavage: {010} imperfect, {100} imperfect. Striations paralell to elongation.

Tenacity: Brittle.

Twinning: Twins are very rare, they can occur after {100}, {011} and {012}.    

Fracture: Conchoidal.

Mohs Hardness: 7

Parting: No.

Streak: White.

Lustre: Vitreous.

Diaphaneity: Transparent.

Density (g/cm³): 3.275

 

2. Geology and Deposits

Olivine is typical of mafic to ultramafic intrusive and extrusive igneous rocks, as well as their metamorphic counterparts. Thus, it occurs in gabbros, in syenites with feldspathoids (shonquinites), in gabbros with feldspathoids (theralites) and in peridotites and pyroxenites (sagvandites and websterites). Dunite is a rock formed predominantly by olivine.

Olivine also occurs in trachytoids (shoshonites), alkali and subalkaline basalts (tholeiitics), and foidites (e.g., sodalitites). It is found in rocks with melilite, such as thurjaites and melilitites. Also in lamproites, kimberlites and some platinum ores. Fayalite can occur in granitic pegmatites, in felsic plutonic rocks and in metamorphosed Fe-rich sediments.

Olivine also occurs in chalcosilicate rocks formed by contact metamorphism (skarns) on dolomitic limestones. Some types of meteorites have olivines. Accumulates in the sands of beaches on oceanic islands.

 

3. Mineral Associations

In gabbros, basalts, picrites and basanites it is associated with plagioclases, clinopyroxenes, magnetite, ilmenite and analcime. It also occurs with feldspathoids (leucite, nosean, sodalite, nepheline, etc.).

Other minerals that can occur in association are chromite, spinel, orthopyroxenes (enstatite-ferrosilite), clinopyroxenes (augite, pigeonite, diopside), dolomite, calcite and phlogopite (in marble), ludwigite, kamacite, quartz, taenite, serpentine (antigorite), brucite, corundum, amphibole (arfvedsonite, hedenbergite), etc.

 

4. Transmitted Light Microscopy

Refraction indices:  nα:  1.636 – 1.730     nβ: 1.650 – 1.739     nγ: 1.669 – 1.772

PLANE POLARIZED LIGHT – PPL

Color / Pleochroism: Colorless. It is rarely pale greenish-yellow with very diagnostic pale yellow pleochroism, due to higher Fe contents.

Relief: Moderate to extremely high.

Cleavage: {010} and {001} poor cleavages, normally not visible under a microscope. Fe-rich members (tending to fayalite) may show moderate {010} cleavage.

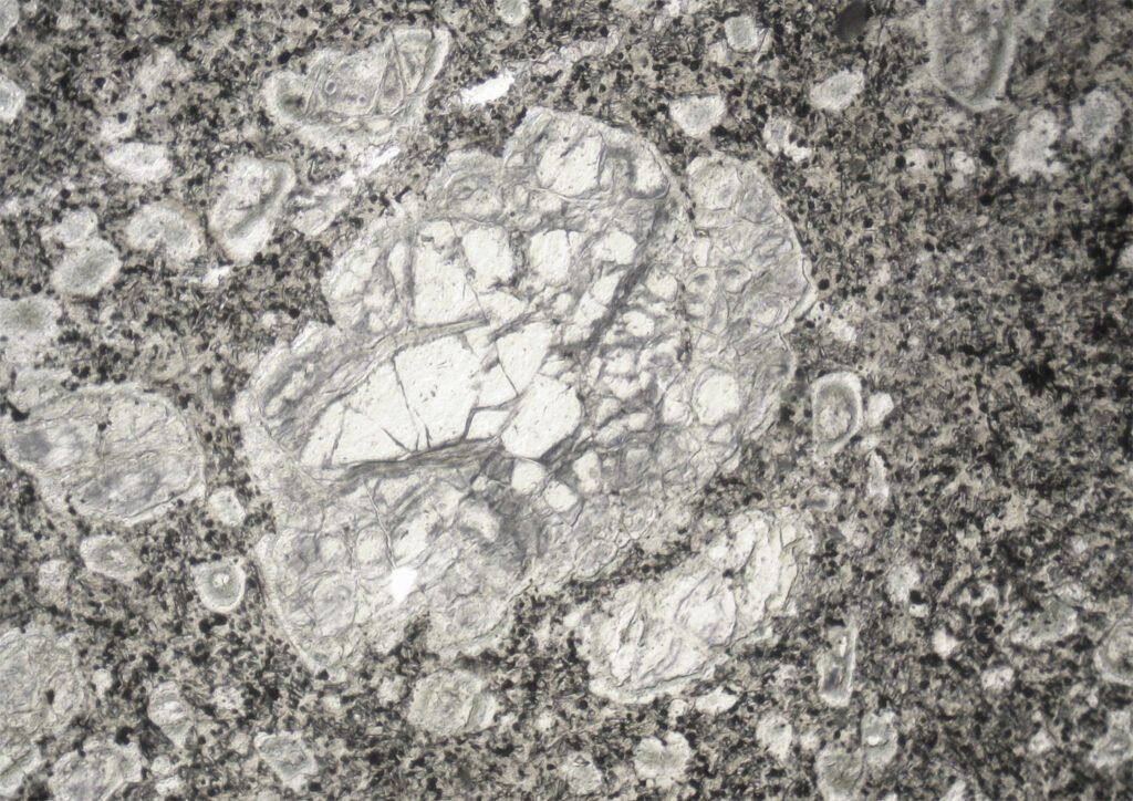
Habits: Anhedral crystals, more rarely subhedral, always tending to roundish. In volcanic rocks it can form euhedral prismatic phenocrysts, with hexagonal or octagonal sections. In glassy volcanic rocks it can be skeletal. In komatiites it can be acicular (“spinifex” texture). Fractures are usually abundant, very irregular, containing alteration materials (“iddingsite” and/or various others).

CROSSED POLARIZED LIGHT – XPL

Birefringence and Interference Colors: Maximum birefringences of 0.035 (forsterite) and 0.052 (fayalite): strong, intense and variable colors of up to 3rd order. Sections parallel to (001) have 2x higher birefringence than sections parallel to (100).

Extinction: Parallel to the form, which is rarely possible due to the tendency of olivine to occur anhedral. In metamorphic rocks the extinction can be undulating.

Elongation sign: SE (-) or SE (+), depending on the orientation, it is not diagnostic.

Twins: Rare and simple, according to various plans. They are not diagnostic.

Zoning: Frequently zoned, with Mg-rich cores and Fe-rich rims.

CONVERGENT LIGHT

Character: B(+) or B(-), depending on the composition.

2V angle: 46 – 98º. Rich in Mg: >72º

Alterations: olivine can undergo at least six alteration processes.

1) Iddingsite: olivine can alter to iddingsite, which is not a mineral, but a yellow-brown to red-brown mixture, composed of clay minerals from the Chlorite Group and the Smectite Group, also iron oxides (goethite and hematite), ferrohybrids and others. Iddingsite is weakly pleochroic and can form pseudomorphs on olivine.

2) Bowlingite: alteration composed of green minerals such as smectite, chlorite, serpentine, talc and mica.

3) Serpentine: olivine is progressively replaced by antigorite (green schist facies), chrysotile and lizardite from the fractures and intergranular limits, with the fibers oriented perpendicularly to the fracture walls. In this way, perfect pseudomorphs of serpentine on olivine are common.

4) Reaction rims occur when olivines are in contact with anorthite-rich plagioclases in gabbroic rocks. These reaction rims (queliphytic textures) are composed of fibrous, radiated green hornblende, also pyroxenes, spinels, and garnets. On the other hand, when olivines are in contact with silica-rich fluids, reaction rims composed of orthopyroxenes are generated.

5) Calcite: complete replacement of olivine by calcite (pseudomorphosis) may occur.

6) Iron oxides and hydroxides can develop along fractures and in grains.

May be confused with: other minerals of high relief and strong colors in CPL.

Clinopyroxenes always show their typical cleavage and have oblique extinction.

Andalusite may be similar, but does not occur in the same rocks.

Minerals of the Humite Group, such as chondrodite, have lower relief and lower birefringence.

 

5. Reflected Light Microscopy

Reflected light microscopy is not the recommended analytical method for the identification of olivine. However, it is important to make a polished thin section or a polished section to identify the opaque minerals that occur associated with olivine, like magnetite, ilmenite, chalcopyrite, pyrite, pyrrhotite, native copper and others.

Sample preparation: olivine acquires a good polish with some ease. When altered, on the other hand, which is very common, the polish is of poor quality and persistent grooves are difficult to eliminate.

PLANE POLARIZED LIGHT – PPL

Reflection color: Dark gray, with no associated color tone.

Pleochroism: No.

Reflectivity: Very low (~7%).

Bireflectance: No.

CROSSED POLARIZED LIGHT – XPL

Isotropy / Anisotropy:  Anisotropy was not observed.

Internal reflections: Generalized in the color of the mineral in hand specimen, which can be in yellow, brownish or greenish tones, always with low luminosity.

May be confused with: garnet may be similar, but occurs in other paragenesis. Considering the paragenesis, the rounded shape, the fractures with alteration materials and the colors of the internal reflections are relatively diagnostic for olivine. Miscellaneous alteration products can change the color of the internal reflections.

General Characteristics: 

Grain shape usually tends to be rounded or elliptical, in volcanic rocks it can be rectangular or biterminated.    

Fractures are always present, filled with alteration materials (iddingsite or serpentines) that have a darker reflection color, many polishing grooves due to low hardness, and clearer and more luminous internal reflections (yellow to white).           

Relief: high relief may occur due to hardness differences between olivine and altering materials.

Inclusions of magnetite and ilmenite can occur as inclusions in olivine.

Pyrrhotite can be concentrated, in the form of lamellae, along the edges of the olivine grains.

<